一建《公路工程》老師講義:1B414033 隧道支護與襯砌


【摘要】環球網校一級建造師頻道為您提供一級建造師考試必備的復習資料和試題,供考生復習備考之用,本文為一建《公路工程》老師講義:1B414033 隧道支護與襯砌,是考生必須要熟記和掌握的重點內容。2015年的一級建造師考試將于9月19日至20日舉行,環球網校在此提醒廣大考生做好復習備考。祝廣大考生順利通過一級建造師考試!
★★★★★隧道支護與襯砌
1B414033 隧道支護與襯砌
一、隧道施工預支護技術
隧道施工過程中,當遇到軟弱破碎圍巖時,其自支護能力是比較弱的,經常采用的預支護措施有超前錨桿、插板、或小鋼管;管棚;超前小導管注漿;開挖工作面及圍巖預注漿等。
(一)超前錨桿、小鋼管施工技術要點
超前錨桿主要適用于地下水較少的軟弱破碎圍巖的隧道工程中,也適宜于采用中小型機械施工。
超前錨桿宜采用早強砂漿錨桿,錨桿可用不小于φ22的螺紋鋼筋。
(二)管棚施工技術要點
管棚主要適用于圍巖壓力來得快、來得大,用于對圍巖變形及地表下沉有較嚴格限制要求的軟弱破碎圍巖隧道工程中。如土砂質地層、強膨脹性地層、強流變性地層、裂隙發育的巖體、斷層破碎帶、淺埋有顯著偏壓等圍巖的隧道中。
短管棚(長度小于lOm的小鋼管)一次超前量小,基本上與開挖作業交替進行,占用循環時間較大,但鉆孔安裝或頂人安裝較容易。
長管棚(長度為10―45m,直徑較粗的鋼管)一次超前量大,單次鉆孔或打人長鋼管的作業時間較長,但減少了安裝鋼管的次數,減少了與開挖作業之間的干擾。
(三)超前小導管注漿施工技術要點
超前小導管注漿不僅適用于一般軟弱破碎圍巖,也適用于地下水豐富的松軟圍巖。但超前小導管注漿對圍巖加固的范圍和強度是有限的,在圍巖條件特別差而變形又嚴格控制的隧道施工中,超前小導管注漿常常作為一項主要的輔助措施,與管棚結合起來加固圍巖。
(四)預注漿加固圍巖施工技術要點
預注漿一般可超前開挖面30~50m,也更適用于采用大中型機械化施工。
預注漿加固圍巖有洞內超前注漿、地表超前注漿和平導超前注漿三種方式。對于淺埋隧道,可以從地表向隧道所在區域打輻射狀或平行狀鉆孔注漿;對于深埋長大隧道,可設置平行導坑,由平行導坑向正洞所在區域鉆孔注漿。
二、初期支護
(一)噴射混凝土
噴射混凝土是用壓力噴槍噴射混凝土的施工法。常用于灌筑隧道內襯、墻壁、頂棚等薄壁結構或其他結構的襯里以及鋼結構的保護層。噴射混凝土的工藝流程有干噴、潮噴、濕噴和混合噴。
(二)錨桿
錨桿是用鋼筋或其他高抗拉性能的材料制作的一種桿狀構件。按照錨固形式可劃分為全長粘結型、端頭錨固型、摩擦型和預應力型四種。
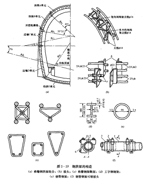
(三)鋼支撐
鋼支撐具有承載能力大的特點,常常用于軟弱破碎或土質隧道中,并與錨桿、噴混凝土等共同使用。鋼支撐按其材料的組成可分為鋼拱架和格柵鋼架。
1.鋼拱架
鋼拱架是工字鋼或鋼軌制造而成的剛性拱架。鋼拱架的最大特點是架設后能夠立即承載。鋼拱架與圍巖間的空隙難以用噴射混凝土緊密充填,與噴射混凝土粘結也不好,導致鋼拱架附近噴射混凝土出現裂縫。
2.格柵
格柵是由鋼筋經冷彎成形后焊接而成,其斷面形狀有圓形、門形、三邊形、四邊形等。
格柵能夠很好地與噴射混凝土一起與圍巖密貼,噴射混凝土能夠充滿格柵及其與圍巖的空隙,且能和錨桿、超前支護結構連成一體,支護效果好。
(四)錨噴支護
錨噴支護是目前通常采用的一種圍巖支護手段。作為初期支護,目前在隧道工程中使用最多的組合形式時錨桿(主要指系統錨桿)加噴射混凝土(素噴或網噴)。
三、模筑混凝土襯砌
襯砌施工順序,目前多采用由下到上、先墻后拱的順序連續澆筑。在隧道縱向,則需分段進行,分段長度一般為8~12m。在全斷面開挖成形或大斷面開挖成形的隧道襯砌施工中,則應盡量使用金屬模板臺車灌注混凝土整體襯砌。
1.襯砌施工的準備工作
(1)組裝式模板
先墻后拱法施工,應按線路中線確定邊墻模板的設計位置。然后搭設工作平臺灌注邊墻混凝土。對于先墻后拱法施工,拱架是架設在墻架的立柱上的。
先拱后墻法施工時,拱架的架設是在復核檢查中線及拱部凈空無誤后,在拱腳放線定位,直接支承在地層上,現場廣泛采用 38kg / m 的舊鋼軌彎制成的鋼拱架。
(2)整體移動式模板臺車
環球網校友情提示:如果您在此過程中遇到任何疑問,請登錄環球網校一級建造師頻道及考試論壇,隨時與廣大考生朋友們一起交流!
編輯推薦:
交流互動:一建微博|微信edu24ol_jzs1|QQ群342289995
最新資訊
- 考完一級建造師這樣做,薪資翻倍!2025-09-25
- 2025年一建考試結束后,已經有人準備這個了...2025-09-24
- 2025年一建考前半小時,這些分數不拿就虧大了!2025-09-19
- 重要!2026年一級建造師考試教材對比解析匯總2025-09-18
- 2025年一級建造師法規考前直播答疑,9月17日晚7點開始2025-09-17
- 快看!2025年一級建造師管理《公式匯總》大盤點2025-09-16
- 2025年一建經濟《高頻公式匯總①》大盤點!2025-09-15
- 速領!2025年一級建造師《工程經濟》必背3頁紙2025-09-14
- 2025年一級建造師工程法規必背3頁紙免費下載,考生速點2025-09-13
- 提分神器!2025年一級建造師《機電實務》3頁必背資料2025-09-12